199-0511-9898 李经理
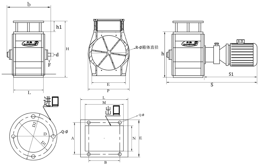
轴承装置有内置和外置形式,维修方便,工作稳定性强,叶轮为钢板焊接,确保各行业安全使用,该机型进料口为圆形,法兰联接,带有透明观察窗,便于观察物料流动情况,出口为方形,传动部分可按客户需求配置,本机型亦可根据客户物料要求进行特殊处理,增强耐磨性,材质有铸铁和不锈钢。

技术参数:
| 型 号 立升 | 电机 | 转速 | 外形尺寸 | Q-Ø | |||||||||||||||||||
| KW | D | D1 | D2 | N | M | Α | B | E | L | h | h1 | H | S1 | S | b | R-Ø | P | d | F | 进口 | 出口 | ||
| 1.2 | 0.37 | 24-43 | 100 | 140 | 170 | 90 | 120 | 125 | 85 | 150 | 140 | 220 | 85 | 305 | 445 | 660 | 285 | 140 | 190 | 25 | 45 | 4-11 | 4-11 |
| 2.8 | 0.55 | 24-43 | 120 | 160 | 190 | 130 | 150 | 165 | 115 | 190 | 180 | 285 | 85 | 370 | 445 | 700 | 325 | 210 | 255 | 25 | 45 | 4-11 | 4-11 |
| 5 | 0.25 | 24-43 | 150 | 190 | 220 | 140 | 175 | 190 | 140 | 220 | 210 | 320 | 85 | 405 | 465 | 745 | 350 | 250 | 300 | 25 | 45 | 4-11 | 4-11 |
| 7 | 1.1 | 24-43 | 170 | 210 | 240 | 170 | 190 | 225 | 160 | 255 | 230 | 355 | 85 | 440 | 480 | 780 | 370 | 280 | 330 | 25 | 45 | 4-11 | 4-11 |
| 9 | 1.1 | - | 190 | 235 | 260 | 200 | 220 | 250 | 190 | 275 | 255 | 385 | 85 | 470 | 480 | 805 | 395 | 300 | 355 | 25 | 45 | 4-11 | 4-11 |
| 12 | 1.1 | - | 210 | 260 | 290 | 210 | 230 | 275 | 210 | 310 | 275 | 420 | 110 | 530 | 480 | 835 | 425 | 320 | 380 | 25 | 45 | 6-11 | 4-11 |
| 16 | 1.5 | - | 250 | 300 | 330 | 260 | 280 | 310 | 260 | 340 | 320 | 460 | 110 | 570 | 520 | 915 | 470 | 350 | 405 | 28 | 50 | 6-11 | 4-11 |
| 25 | 2.2 | - | 280 | 320 | 360 | 280 | 295 | 340 | 270 | 375 | 350 | 470 | 110 | 580 | 545 | 960 | 490 | 360 | 420 | 35 | 50 | 6-11 | 4-11 |
| 30 | 3 | - | 300 | 350 | 390 | 300 | 310 | 360 | 270 | 400 | 360 | 520 | 110 | 630 | 545 | 980 | 510 | 380 | 440 | 35 | 50 | 6-13 | 6-13 |
| 40 | 3 | - | 320 | 375 | 420 | 320 | 350 | 375 | 310 | 420 | 400 | 540 | 110 | 650 | 545 | 1050 | 560 | 400 | 460 | 35 | 50 | 6-13 | 6-13 |
| 50 | 3 | - | 340 | 390 | 440 | 350 | 370 | 410 | 330 | 450 | 420 | 580 | 110 | 690 | 545 | 1080 | 580 | 420 | 480 | 35 | 50 | 6-13 | 6-13 |
Copyright © 2023 江苏丹港机械制造有限公司 版权所有 免责声明